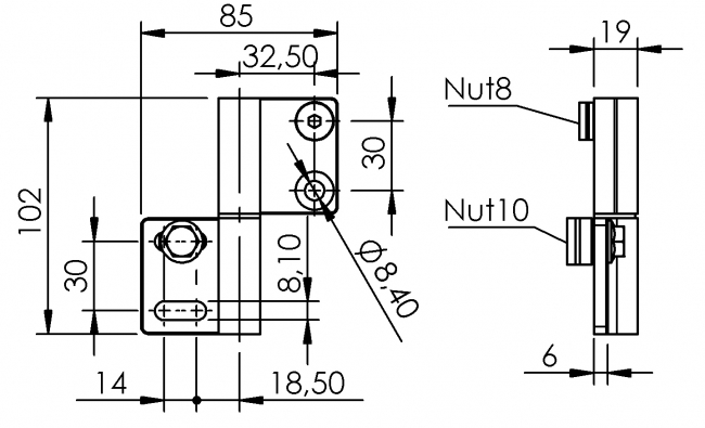
Scharnier justierbar

Nut
 
 
 
 
 
8
 
10
 
 
Material:
Al-GD / Stahl
Oberfläche:
Verzinkt / Natur
Mindestbestellmenge:
2 Stück
 
Beschreibung:

Spaltmaß einstellbar. Innen oder außen montierbar. Aushängbar. Belastbar bis F = 300 N.
Öffnungswinkel 180°.

Inkl. Befestigungssatz: 2x Senkschraube DIN7991 M8x12 + 2x Nutenstein M8 Nut8 + 2x 6kt-Flanschschraube M8x16 + 2x Nutenstein M8 Nut10b

 
Best.-Nr.
520 5074

Um die STEP-Dateien herunterladen zu können, müssen Sie eingeloggt sein.
Bei Fragen zur Registrierung wenden Sie sich gerne direkt an uns.

Hier können Sie sich registrieren / einloggen.