Druckgusswinkel Doppelnut

Nut
 
 
 
 
 
 
 
10
 
 
Material:
GD-Al
Oberfläche:
Eloxiert
Mindestbestellmenge:
2 Stück
 
Beschreibung:

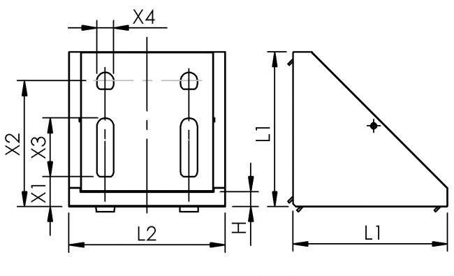
Zur Verbindung zweier Profile unter 90°. Der Druckgusswinkel ist mit Rastöffnungen für optimalen Halt der Abdeckkappen versehen. 

Ohne Befestigungssatz.

 
Best.-Nr. Empf. Befest.-Satz Profil L1 / L2 X1 / X2 X3 X4 H
534 9090 BS 004 90x90 83 / 84 16,0 / 67,5 31,5 9 8

Um die STEP-Dateien herunterladen zu können, müssen Sie eingeloggt sein.
Bei Fragen zur Registrierung wenden Sie sich gerne direkt an uns.

Hier können Sie sich registrieren / einloggen.