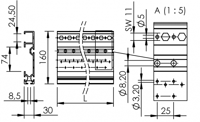
Fördertechnikprofil gelocht/ungelocht
Nut
8
Material:
AlMgSi0,5 F25
Oberfläche:
Eloxiert
Beschreibung:
Passende Schwerkrafttragrollen Sechskant-Achse SW11 finden Sie in diesem Katalog unter Profilzubehör > Lineartechnik > Schwerkrafttragrollen.
Ix / Iy = Trägheitsmoment
Wx / Wy = Widerstandsmoment
| 1 Stück à ... mm | 20 Stück à 6000mm | Gelocht | lx/ly (cm4) | Wx/Wy (cm3) | Fläche | Gewicht |
|---|---|---|---|---|---|---|
| 104 0001/... | 104 0001/PE | nein | 328,03 / 11,18 | 41,00 / 7,45 | 11,1 cm² | 3,00 kg/m |
| 104 0002/... | 104 0002/PE | ja | 328,03 / 11,18 | 41,00 / 7,45 | 11,1 cm² | 2,92 kg/m |
Um die STEP-Dateien herunterladen zu können, müssen Sie eingeloggt sein.
Bei Fragen zur Registrierung wenden Sie sich gerne direkt an uns.