Bohrlehre für Schnellverbinder
Nut
6
8
10
Material:
Stahl
Oberfläche:
verzinkt
Mindestbestellmenge:
1 Stück
Beschreibung:
Für eine schnelle und genaue Fertigung von Bohrungen für Schnellverbinder und Bolzenverbinder.
Inkl. Befestigungssatz.
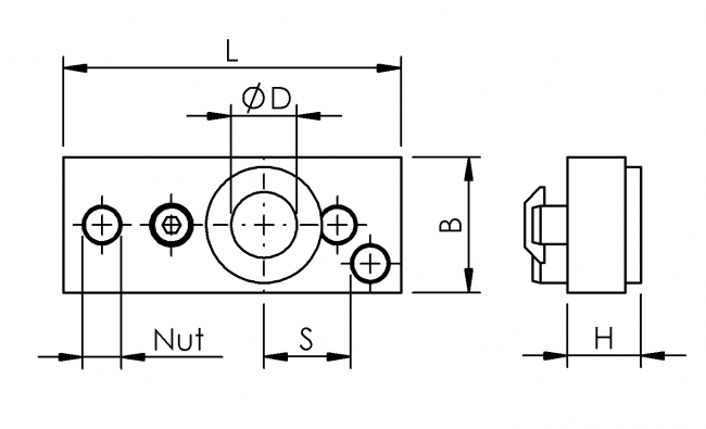
| Best.-Nr. | Nut | ØD | S | L | B | H |
|---|---|---|---|---|---|---|
| 605 0650 | 6 | 8 | 10,0 | 56,0 | 25 | 18 |
| 605 8031 | 8 | 11 | 18,5 | 78,0 | 25 | 19 |
| 605 1050 | 10 | 17 | 22,5 | 87,5 | 35 | 19 |
Um die STEP-Dateien herunterladen zu können, müssen Sie eingeloggt sein.
Bei Fragen zur Registrierung wenden Sie sich gerne direkt an uns.