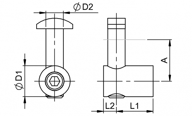
Schnellverbinder mit Federstopfen innen

Nut
 
 
 
 
 
 
 
10
 
 
Material:
Stahl
Oberfläche:
Verzinkt
Mindestbestellmenge:
2 Stück
 
Beschreibung:

Zur Verbindung zweier Profile unter 90°, beim Arbeiten über Kopf.

Bohrpostion: 22,5 mm

 
Best.-Nr.
507 1090

Um die STEP-Dateien herunterladen zu können, müssen Sie eingeloggt sein.
Bei Fragen zur Registrierung wenden Sie sich gerne direkt an uns.

Hier können Sie sich registrieren / einloggen.