Magnetverschluss
Nut
6
8
10
Material:
Kunststoff
Oberfläche:
Schwarz
Mindestbestellmenge:
2 Stück
Beschreibung:
Wechselseitig mit zwei unterschiedlichen Magneten einsetzbar.
Schraube DIN 921: M4x5 (520 0020); M5x6 (520 0003).
Ohne Befestigungssatz.
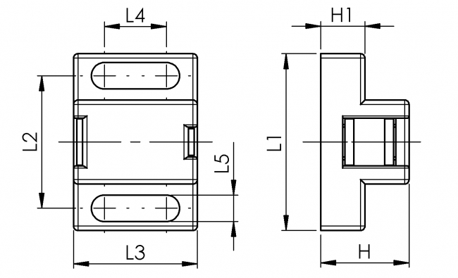
| Best.-Nr. | Empf. Befest.-Satz | Empf. BS | Empf. BS | L1 / L2 | L3 / L4 | L5 | H / H1 |
|---|---|---|---|---|---|---|---|
| 520 0020 | BS 042 (Nut 6) | BS 043 (Nut 8) | BS 044 (Nut 10) | 28 / 20 | 17 / 8 | 4,3 | 14 / 6 |
| 520 0003 | BS 045 (Nut 8) | BS 046 (Nut 10) | 40 / 30 | 28 / 14 | 6,0 | 20 / 10 |
Um die STEP-Dateien herunterladen zu können, müssen Sie eingeloggt sein.
Bei Fragen zur Registrierung wenden Sie sich gerne direkt an uns.