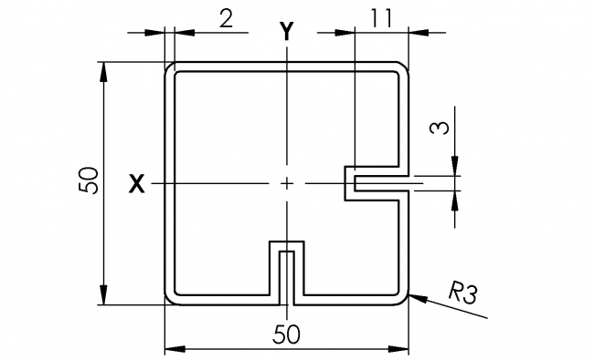
Teleskop-Profil für Profil 45 x 45

Nut
 
 
 
 
 
 
 
10
 
 
Material:
AlMgSi0,5 F25
Oberfläche:
Eloxiert
 
Beschreibung:

Ix / Iy = Trägheitsmoment
Wx / Wy = Widerstandsmoment

 
1 Stück à … mm 6 Stück à 5600mm lx / ly (cm4) Wx / Wy (cm3) Profilfläche Gewicht
100 0045 T/… 100 0045 T/PE 15,10 / 15,10 5,70 / 5,70 4,50 cm² 1,20 kg/m

Um die STEP-Dateien herunterladen zu können, müssen Sie eingeloggt sein.
Bei Fragen zur Registrierung wenden Sie sich gerne direkt an uns.

Hier können Sie sich registrieren / einloggen.