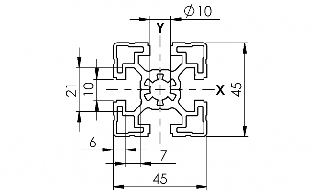
Profil 45 x 45

Nut
 
 
 
 
 
 
 
10
 
 
Material:
AlMgSi0,5 F25
Oberfläche:
Eloxiert
 
Beschreibung:

Ix / Iy = Trägheitsmoment
Wx / Wy = Widerstandsmoment

 
1 Stück à … mm 20 Stück à 6000mm lx / ly (cm4) Wx / Wy (cm3) Profilfläche Gewicht
100 0045/… 100 0045/PE 14,50 / 14,50 6,44 / 6,44 7,55 cm² 2,04 kg/m

Um die STEP-Dateien herunterladen zu können, müssen Sie eingeloggt sein.
Bei Fragen zur Registrierung wenden Sie sich gerne direkt an uns.

Hier können Sie sich registrieren / einloggen.