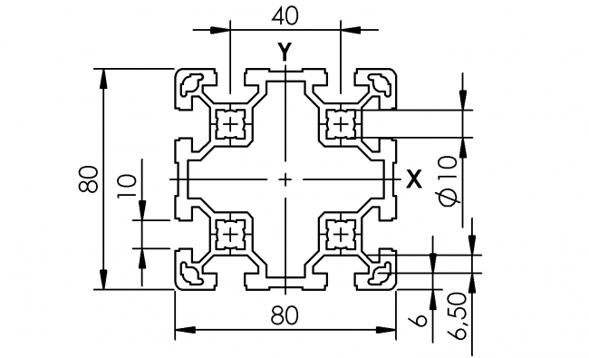
Profil 80 x 80 leicht

Nut
 
 
 
 
 
 
 
10
 
 
Material:
AlMgSi0,5 F25
Oberfläche:
Eloxiert
 
Beschreibung:

Ix / Iy = Trägheitsmoment
Wx / Wy = Widerstandsmoment

 
1 Stück à … mm 10 Stück à 6000mm lx / ly (cm4) Wx / Wy (cm3) Profilfläche Gewicht
110 0080 L/... 110 0080 L/PE 131,40 / 131,40 32,85 / 32,85 18,07 cm² 4,90 kg/m

Um die STEP-Dateien herunterladen zu können, müssen Sie eingeloggt sein.
Bei Fragen zur Registrierung wenden Sie sich gerne direkt an uns.

Hier können Sie sich registrieren / einloggen.