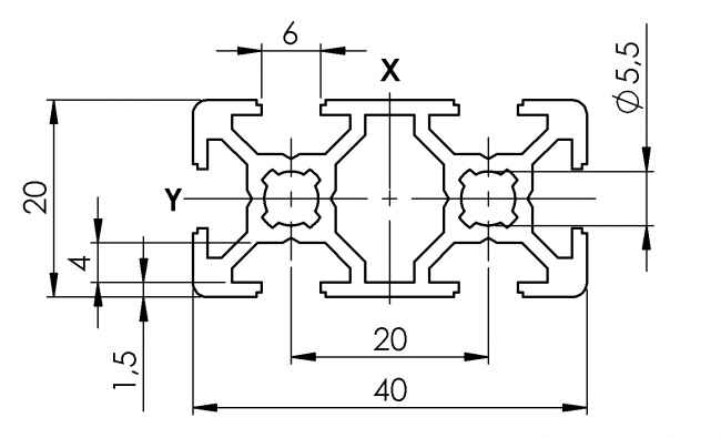
Profil 20 x 40

Nut
 
 
 
6
 
 
 
 
 
 
Material:
AlMgSi0,5 F25
Oberfläche:
Eloxiert
 
Beschreibung:

Ix / Iy = Trägheitsmoment
Wx / Wy = Widerstandsmoment

 
1 Stück à … mm 20 Stück à 3000mm lx / ly (cm4) Wx / Wy (cm3) Profilfläche Gewicht
101 2040/... 101 2040/PE 4,58 / 1,19 2,29 / 1,19 2,90 cm² 0,77 kg/m

Um die STEP-Dateien herunterladen zu können, müssen Sie eingeloggt sein.
Bei Fragen zur Registrierung wenden Sie sich gerne direkt an uns.

Hier können Sie sich registrieren / einloggen.