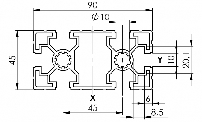
Profil 45 x 90 leicht

Nut
 
 
 
 
 
 
 
10
 
 
Material:
AlMgSi0,5 F25
Oberfläche:
Eloxiert
 
Beschreibung:

Ix / Iy = Trägheitsmoment
Wx / Wy = Widerstandsmoment

 
1 Stück à … mm 10 Stück à 6000mm lx / ly (cm4) Wx / Wy (cm3) Profilfläche Gewicht
101 4590 L/… 101 4590 L/PE 86,37 / 22,16 19,19 / 9,85 10,38 cm² 2,80 kg/m

Um die STEP-Dateien herunterladen zu können, müssen Sie eingeloggt sein.
Bei Fragen zur Registrierung wenden Sie sich gerne direkt an uns.

Hier können Sie sich registrieren / einloggen.