Kabelblock 2-Weg
Nut
8
10
Material:
PA 6.6
Oberfläche:
Schwarz
Mindestbestellmenge:
10 Stück
Beschreibung:
Zur Installation von Elektro- und Pneumatikleitungen mittels Kabelbinder, fixierbar, Kabelverlegung in zwei Richtungen möglich.
Kabelbinder nicht im Lieferumfang.
Kabelbinder finden Sie ebenfalls in diesem Kapitel.
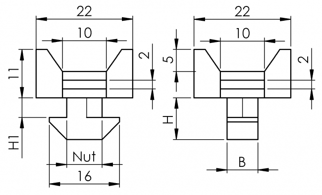
| Best.-Nr. | Nut | Profil | L | B | H | H1 |
|---|---|---|---|---|---|---|
| 506 0805 | 8 | I-Design | 15,9 | 7,0 | 9,5 | 4,5 |
| 506 1003 | 10 | BPT- / B-Design | 16,6 | 8,5 | 11,0 | 6,0 |
Um die STEP-Dateien herunterladen zu können, müssen Sie eingeloggt sein.
Bei Fragen zur Registrierung wenden Sie sich gerne direkt an uns.