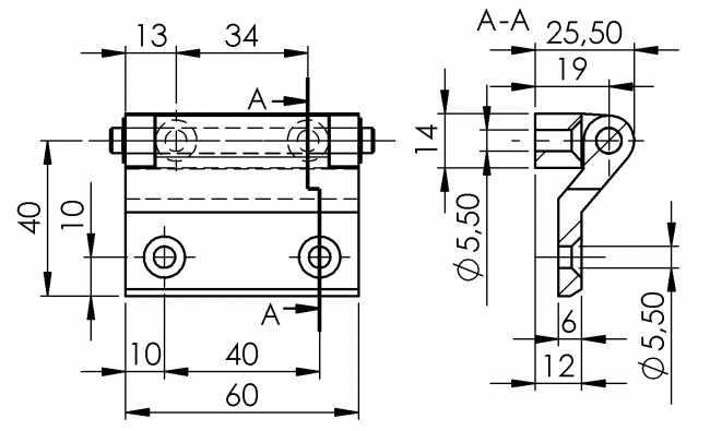
Deckelscharnier

Nut
 
 
 
6
 
8
 
10
 
 
Material:
GD-Al
Oberfläche:
Schwarz beschichtet
Mindestbestellmenge:
2 Stück
 
Beschreibung:

Montage und Demontage durch Herausnehmen der Achse.
Öffnungswinkel 180°.

Ohne Befestigungssatz.

 
Best.-Nr. Empf. Befest.-Satz Empf. Befest.-Satz Empf. Befest.-Satz
520 0007 BS 032 (Nut 6) BS 033 (Nut8) BS 034 (Nut 10)

Um die STEP-Dateien herunterladen zu können, müssen Sie eingeloggt sein.
Bei Fragen zur Registrierung wenden Sie sich gerne direkt an uns.

Hier können Sie sich registrieren / einloggen.