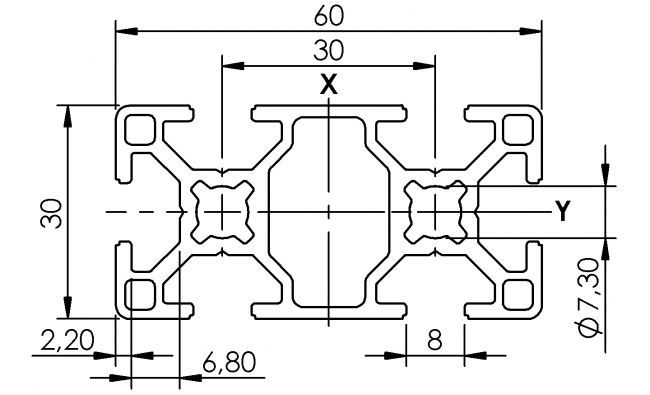
Profil 30 x 60

Nut
 
 
 
 
 
8
 
 
 
 
Material:
AlMgSi0,5 F25
Oberfläche:
Eloxiert
 
Beschreibung:

Ix / Iy = Trägheitsmoment
Wx / Wy = Widerstandsmoment

 
1 Stück à … mm 20 Stück à 6000mm lx / ly (cm4) Wx / Wy (cm3) Profilfläche Gewicht
111 3060/... 111 3060/PE 20,78 / 5,06 6,92 / 3,37 5,66 cm² 1,53 kg/m

Um die STEP-Dateien herunterladen zu können, müssen Sie eingeloggt sein.
Bei Fragen zur Registrierung wenden Sie sich gerne direkt an uns.

Hier können Sie sich registrieren / einloggen.