Schlauchhalter
Nut
8
10
Material:
PA 6.6
Oberfläche:
Schwarz
Mindestbestellmenge:
10 Stück
Beschreibung:
Zur Führung von z.B. Schläuchen oder Kabeln.
Passend für BPT- und B-Design Profile.
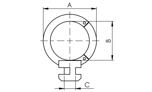
| Best.-Nr. | Nut | A | B | C |
|---|---|---|---|---|
| 505 0817 | 8 | 28,5 | 17 | 8 |
| 505 0825 | 8 | 36,5 | 25 | 8 |
| 505 0835 | 8 | 47,5 | 35 | 8 |
| 505 0845 | 8 | 56,5 | 45 | 8 |
| 505 0017 | 10 | 28,5 | 17 | 10 |
| 505 0025 | 10 | 36,5 | 25 | 10 |
| 505 0035 | 10 | 47,5 | 35 | 10 |
| 505 0045 | 10 | 56,5 | 45 | 10 |
Um die STEP-Dateien herunterladen zu können, müssen Sie eingeloggt sein.
Bei Fragen zur Registrierung wenden Sie sich gerne direkt an uns.