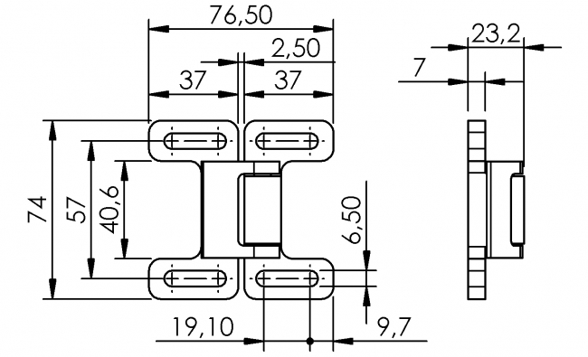
Doppelkugelraste

Nut
 
 
 
 
 
8
 
10
 
 
Material:
PA
Mindestbestellmenge:
1 Stück
Farbe:
Schwarz
 
Beschreibung:

Zum Arretieren von Schutztüren und Klappen. Das Rastelement kann aus zwei Richtungen eingefahren werden.

Ohne Befestigungssatz.

 
Best.-Nr. Empf. Befest.-Satz Empf. Befest.-Satz
520 0014 BS 024 (Nut 8) BS 025 (Nut 10)

Um die STEP-Dateien herunterladen zu können, müssen Sie eingeloggt sein.
Bei Fragen zur Registrierung wenden Sie sich gerne direkt an uns.

Hier können Sie sich registrieren / einloggen.