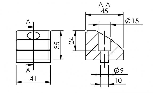
Klapptürstopper

Nut
 
 
 
 
 
 
 
10
 
 
Material:
POM
Oberfläche:
Schwarz
Mindestbestellmenge:
1 Stück
 
Beschreibung:

Erlaubt einen maximalen Öffnungswinkel der Klapptür von 140°.

 
Best.-Nr.
520 0025

Um die STEP-Dateien herunterladen zu können, müssen Sie eingeloggt sein.
Bei Fragen zur Registrierung wenden Sie sich gerne direkt an uns.

Hier können Sie sich registrieren / einloggen.