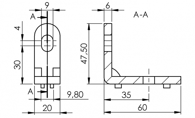
Einhängewinkel-Set

Nut
 
 
 
 
 
8
 
10
 
 
Material:
GD-Zn
Oberfläche:
Natur
Mindestbestellmenge:
1 Set (4 Stück)
 
Beschreibung:

Zur Montage von Schutzrahmen unter variablem Winkel.

Inkl. Befestigungssatz: 4x Hammerschraube M8x20 + 4x Rippmutter M8 + 2x Aufnahmezapfen + 2x 6kt-Schraube M8x16

 
Best.-Nr.
520 4760 B

Um die STEP-Dateien herunterladen zu können, müssen Sie eingeloggt sein.
Bei Fragen zur Registrierung wenden Sie sich gerne direkt an uns.

Hier können Sie sich registrieren / einloggen.