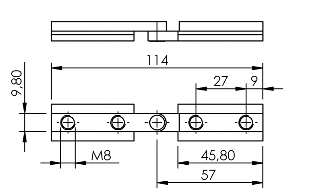
Gelenknutverbinder außen

Nut
 
 
 
 
 
 
 
10
 
 
Material:
Stahl
Oberfläche:
Verzinkt
Mindestbestellmenge:
2 Stück
 
Beschreibung:

Vorzugsweise als Gehrungs-Stirnverbinder für zwei Profile unter einem Winkel zwischen 0° und 90°.

Inkl. 4x Gewindestift M8x12

 
Best.-Nr.
519 0001 B

Um die STEP-Dateien herunterladen zu können, müssen Sie eingeloggt sein.
Bei Fragen zur Registrierung wenden Sie sich gerne direkt an uns.

Hier können Sie sich registrieren / einloggen.