Halteplatte T
Nut
6
8
10
Material:
V2A Stahl 2 mm
Oberfläche:
Natur
Mindestbestellmenge:
1 Stück
Beschreibung:
Für T-Verbindungen zweier Profile.
Ohne Befestigungssatz.
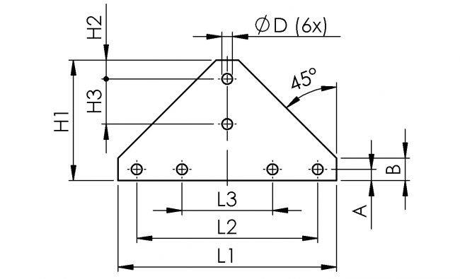
| Best.-Nr. | Empf. Befest.-Satz | Nut | L1 / H1 | L2 / L3 | H2 / H3 | ØD | A / B |
|---|---|---|---|---|---|---|---|
| 521 0003 | BS 017 / BS 018 | 6 / 8 | 145 / 80 | 120 / 60 | 12,5 / 30,0 | 7 | 7,5 / 15,0 |
| 521 0001 | BS 007 | 10 | 185 / 110 | 155 / 75 | 15,0 / 40,0 | 9 | 17,5 / 35,0 |
Um die STEP-Dateien herunterladen zu können, müssen Sie eingeloggt sein.
Bei Fragen zur Registrierung wenden Sie sich gerne direkt an uns.