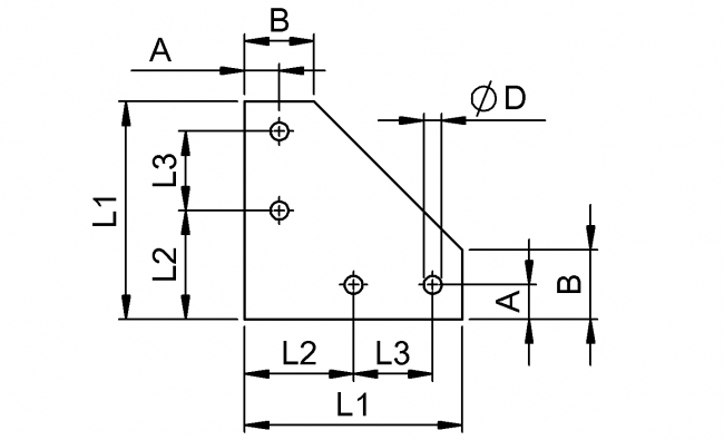
Halteplatte 90°
Nut
6
8
10
Material:
V2A Stahl 2 mm
Oberfläche:
Natur
Mindestbestellmenge:
1 Stück
Beschreibung:
Zur Verbindung zweier Profile unter 90°.
| Best.-Nr. | Empf. Befest.-Satz | Nut | L1 | L2 | L3 | ØD | A / B |
|---|---|---|---|---|---|---|---|
| 521 0002 | BS 017 / BS 018 | 6 / 8 | 80 | 37,5 | 30 | 7 | 7,5 / 15,0 |
| 521 0000 | BS 007 | 10 | 110 | 55,0 | 40 | 9 | 17,5 / 35,0 |
Um die STEP-Dateien herunterladen zu können, müssen Sie eingeloggt sein.
Bei Fragen zur Registrierung wenden Sie sich gerne direkt an uns.