Druckgusswinkel halbrund
Nut
8
10
Material:
GD-Al
Oberfläche:
Eloxiert
Mindestbestellmenge:
2 Stück
Beschreibung:
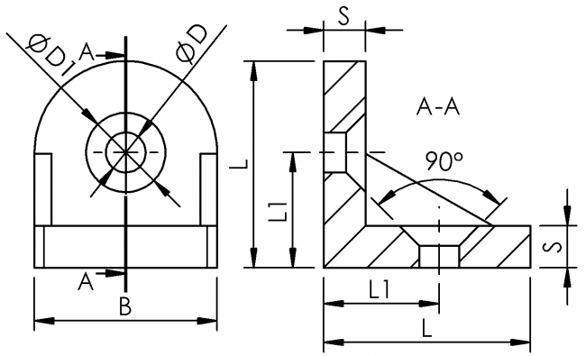
Zur Verbindung zweier Profile unter freiem Winkel.
Ohne Befestigungssatz.
| Best.-Nr. | Empf. Befest.-Satz | Empf. Befest.-Satz | L / L1 | B | S | ØD / ØD1 |
|---|---|---|---|---|---|---|
| 504 3530 | BS 052 (Nut 8) | BS 053 (Nut 10) | 35 / 20 | 30 | 8 | 8,5 / 15,8 |
| 504 3843 | BS 053 (Nut 10) | - | 43 / 24 | 38 | 8 | 8,5 / 15,8 |
Um die STEP-Dateien herunterladen zu können, müssen Sie eingeloggt sein.
Bei Fragen zur Registrierung wenden Sie sich gerne direkt an uns.