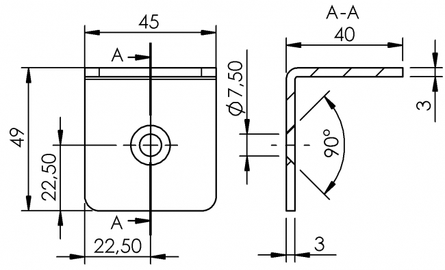
Anschlagwinkel

Nut
 
 
 
 
 
 
 
10
 
 
Material:
Stahl
Oberfläche:
Verzinkt
Mindestbestellmenge:
2 Stück
 
Beschreibung:

Dient als passender Anschlag für den Würfelverbinder mit Magnet 504 4542 BM.

Ohne Befestigungssatz.

 
Best.-Nr. Empf. Befest.-Satz
990 4469 BS 028

Um die STEP-Dateien herunterladen zu können, müssen Sie eingeloggt sein.
Bei Fragen zur Registrierung wenden Sie sich gerne direkt an uns.

Hier können Sie sich registrieren / einloggen.