Schlauchhalter universal

Material:
PA 6.6
Oberfläche:
Schwarz
Mindestbestellmenge:
10 Stück
 
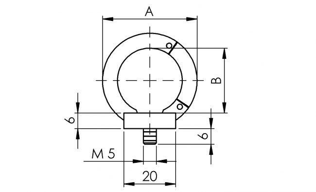
Beschreibung:

Zur Führung von z.B. Schläuchen oder Kabeln.

Inkl. Schraube M5x12.

 
Best.-Nr. A B
505 9917 28,5 17
505 9925 36,5 25
505 9935 47,5 35
505 9945 56,5 45

Um die STEP-Dateien herunterladen zu können, müssen Sie eingeloggt sein.
Bei Fragen zur Registrierung wenden Sie sich gerne direkt an uns.

Hier können Sie sich registrieren / einloggen.