Innenwinkel außen

Nut
 
 
 
 
 
8
 
10
 
 
Material:
Stahlguss
Oberfläche:
Verzinkt
Mindestbestellmenge:
10 Stück
 
Beschreibung:

Zur Verbindung zweier Profile unter 90°.

Inkl. 2x Gewindestift DIN913.

 
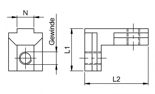
Best.-Nr. Nut N L1 L2 Gewinde
504 0028 8 8 20 30 M6
504 0021 10 10 32 38 M8

Um die STEP-Dateien herunterladen zu können, müssen Sie eingeloggt sein.
Bei Fragen zur Registrierung wenden Sie sich gerne direkt an uns.

Hier können Sie sich registrieren / einloggen.