Bockrolle ESD

Nut
 
 
 
 
 
 
 
10
 
 
Material:
Stahlblech
Oberfläche:
Verzinkt
Mindestbestellmenge:
1 Stück
 
Beschreibung:

Rad aus Vollgummi (elektrisch leitend, schwarz).
Lagerart: Rollenlager.

Ohne Befestigungssatz.

 
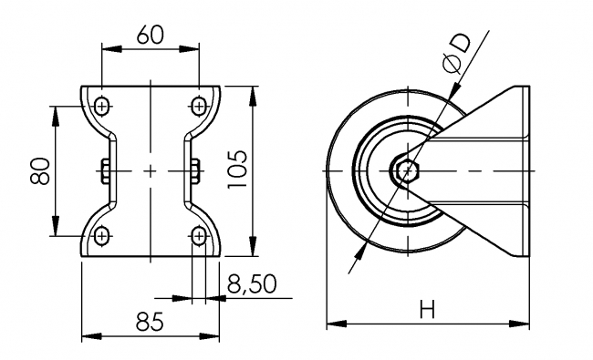
Best.-Nr. ØD H F (N)
525 8100 100 125 700

Um die STEP-Dateien herunterladen zu können, müssen Sie eingeloggt sein.
Bei Fragen zur Registrierung wenden Sie sich gerne direkt an uns.

Hier können Sie sich registrieren / einloggen.